期刊详情
查看往期
期刊目录
2021年04期
科技创新 |
基于布尔莎模型的坐标转换算法
随着我国空间技术的发展,我国建立了2000国家大地坐标系,但大多数的测量成果使用的是1980西安坐标系,而2000国家大地坐标系的精度优于1980西安坐标系,因此实际中常进行这两种坐标系的转换。针对测量成果坐标系转换到2000国家大地坐标系的问题,采用了布尔莎模型进行坐标系转换,通过实例验证了布尔莎模型转换的可行性。
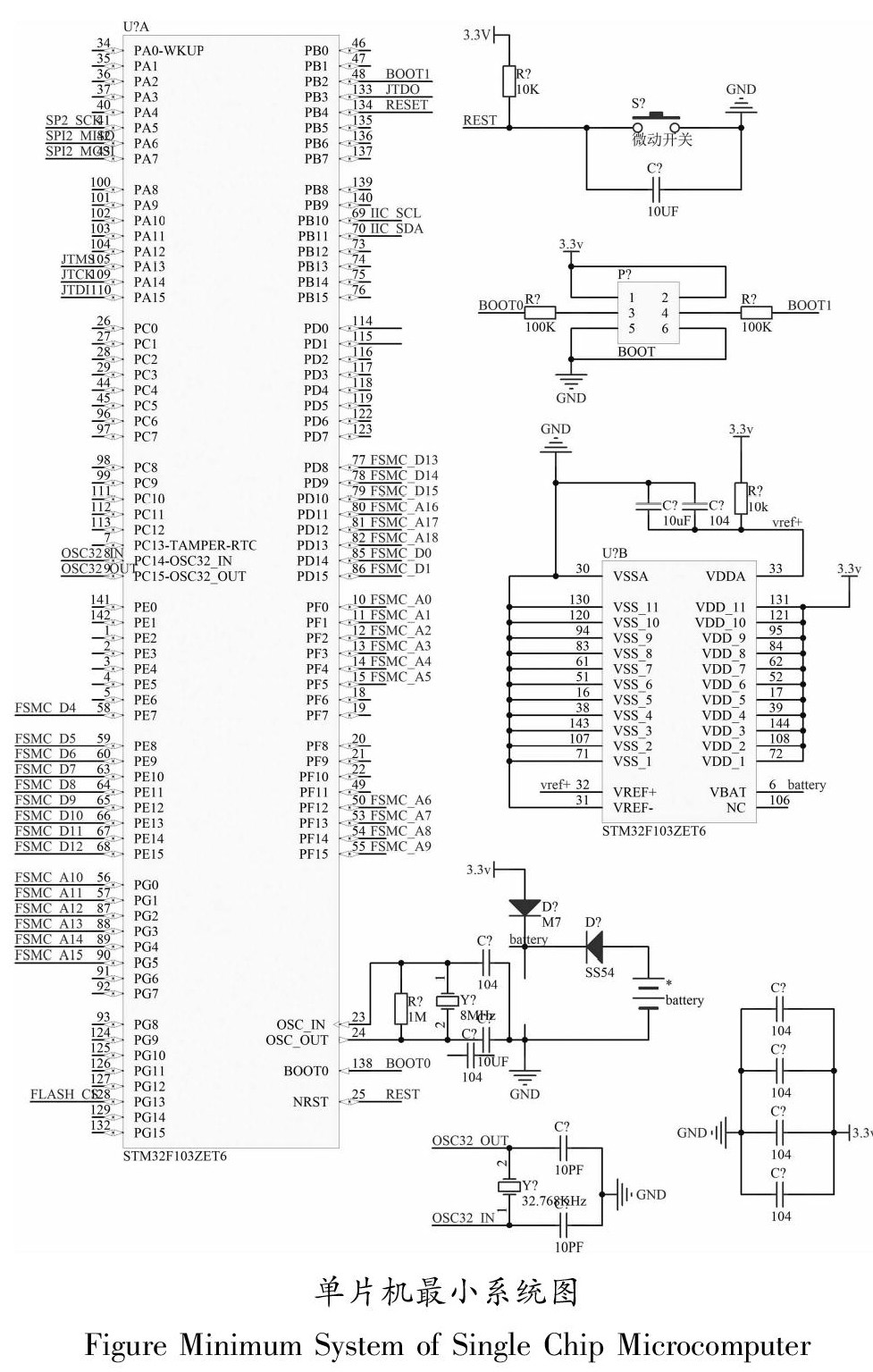
科技创新 |
基于STM32的空间实验图像采集与显示系统的研究与设计
随着未来中国空间站的建成,后续太空教学活动与搭载项目的日益增多,对实验过程进行图像采集处理显得至关重要。本文采用OV2640摄像头,通过STM32微控制器进行数据的传输与处理,并将实验图像实时显示在液晶屏上,为空间教育类实验提供适应性广、接口统一的实验平台。
科技创新 |
我国氢燃料电池汽车发展现状及前景分析
凭借高效率、零排放、低噪音等优势,氢燃料电池汽车已成为实现我国能源结构变革、节能减排以及汽车产业升级的重要工具,并将成为我国城市和经济可持续发展的重要解决方案。然而受诸多因素制约,我国氢燃料电池汽车发展仍面临诸多挑战。基于此,文章通过对我国氢燃料电池汽车产业发展的一些最新资料进行综述,对我国氢燃料电池汽车发展情况和产业前景等进行简要分析,为其进一步的发展提供可行性的建议。
科技创新 |
基于PWM调速的多功能低温烘干箱的设计
当人们对高质量生活的追求,对此保证食物的温湿度也有了一定的要求,为了保证烘干食物的温湿度控制线性、互换性、重复进行,本设计采用AT89S51单片机作为控制电路的核心,使用DHT11对温湿进行测量,采用基于PID算法的PWM调速控制风力。本设计电路采用多模块化组成,这样设计不仅稳定性增强,并且故障的排除与发现更加容易,编写程序简洁、系统可靠性高、操作简便。
科技创新 |
探讨传统錾刻工艺在概念性首饰中的应用
伴随着现代理念、时尚潮流不断深入人心,首饰从最初的饰品到奢侈品,再到艺术理念的表现载体,逐渐成为艺术工作者钟情于情感表达的形式与内容。在现代概念首饰设计的瓶颈阶段,更多的设计者逐渐将重心转向传统文化,希望首饰设计得以新的发展方向,呈现全新的艺术形式。传统錾刻工艺是中华民族传统文化中极其重要的一个分支,其内容丰富、工艺精湛、情感深邃、寓意深远,彰显了浓烈的民族特色。将錾刻工艺应用在概念首饰设计中,能够在创新首饰设计基础上传承和发展中国传统文化。
科技创新 |
便携式列车制动速度传感器检测装置研究
列车速度传感器故障会导致擦轮现象,列车运行异响,造成乘客恐慌。本文介绍一种便携式列车制动速度传感器性能监测装置,包括装置的组成和工作原理,操作便捷灵活,提高列车检修人员的工作效率。
科技创新 |
基于单片机的智能插排设计
本文介绍了一种基于单片机的智能插排控制系统,本设计采用STM32F103单片机作为控制核心,该系统具有电压、电流检测、过流保护、多路定时通断控制、TFT_LCD显示屏、触摸屏控制、断电定时时间自动保存等功能。系统分为主界面、定时界面、查询界面三个界面。本设计具有节约能源、消除安全隐患、延长家用电器的寿命等功能,给生活带来了极大的便利。
科技创新 |
浅谈地方物流传输智能化的发展与研究
本文旨在充分调研发展中地方物流业务的现状和问题的前提下,通过对现代化智能物流系统和遗传算法的国外内研究,结合现代物流传输的特点,阐述了基于发展中地方物流的智能化传输体系的设计思想以及智能安全设备的应用。目的是提高地方物流系统的运转效率,降低地方物流业的运营成本。对促进发展中的地方产业转型升级有一定的意义,也可为以后结合“互联网+”的地方智能物流系统应用研究提供参考。
科技创新 |
基于人脸识别算法的智慧课堂考勤系统的设计
考勤系统是智慧课堂系统建设中的重点和难点,传统的考勤方式和基于智能终端的考勤模式都不能很好地解决代打卡等问题,基于生物特征的识别技术有效地解决了代打卡的问题,同时又具有很高的安全性,其中,人脸识别由于具备无须直接接触、容易采集、成本较低等特点,成为生物特征识别中越来越主流的技术。本文阐述了人脸识别技术的概念和相关算法,并利用人脸识别技术设计了一个智慧课堂考勤系统。系统包含人脸检测、特征提取、人脸识别等模块,能够有效地解决课堂考勤中的相关问题。
科技创新 |
二维翼型的积冰数值模拟精度提升方法
本文研究并提出了一种可以提升二维翼型积冰模拟精度的方法。采用时间多步法进行冰层增长计算,利用基于流场特征的网格自适应方法,对计算网格进行自适应优化,得到更精确的流场解;利用ALE方法对每个时间步积冰后的机翼外形进行网格重构,为后续时间步流场计算提供更准确的计算网格。最后通过算例验证了这种方法可以有效提升积冰模拟的精确性。
科技创新 |
基于MATLAB的音乐分析与合成演示程序的设计
利用MATLAB GUI平台,设计了一个音乐分析与合成综合演示系统。用户通过简单的鼠标点击操作,就可以实现音乐载入、波形显示、频域分析、音乐合成以及音频播放等一系列功能。该演示系统可以让用户更直观地理解音乐信号分析与合成的基本原理,激发对音频信号分析和处理的兴趣。
科技创新 |
AIS与现代航海技术的关系及对未来航海的影响分析
伴随着科学技术的快速发展,各行各业都有了长足的进步。在现代航海过程中,不断有新技术应用其中,AIS技术就是最为有代表性的一项技术,AIS的中文名称是船舶自动识别系统,其与现代航海技术有着密切的关系。通过对于船舶自动识别系统的构成、作用以及技术特征等方面的分析,探究AIS和现代航海技术的关系,及对于未来航海的影响,相关的研究有着重要的作用。
科技创新 |
小型家用智能洗碗机设计
为了迎合当前家电市场“健康经济”“懒人经济”的发展趋势,设计了一款结合自激振荡脉冲喷淋清洗以及超声波空化清洗方式的小型家用超声波洗碗机。通过Fluent仿真计算出合理的自激振荡脉冲射流结构参数,并选用合适的超声波发射器及超声波换能器,最终设计出一款集多样清洗、节能节水、家用环保、多功能储物为一体的小型智能洗碗机。
科教论坛 |
云端教学背景下智慧课堂教学设计与研究
随着互联网技术和信息化教学技术日益成熟,传统以教师“教”为中心的教学模式逐渐向以学生“学”为中心的教学模式转变,即线上线下混合式教学模式,其教学效果得到师生的认可。本文以计算机类应用型课程《面向对象程序设计》为例,从教学模式架构、教学思路与举措、教学目标分析、教学过程设计、教学方法应用以及教学效果评价等方面对该课程进行云端教学背景下的研究与应用,为其他应用型课程的设计与开展提供借鉴。
科教论坛 |
论混合式教学模式下的高校计算机基础教学改革研究
在高等教育阶段,计算机基础课程的开设,主要针对的是本校非计算机专业学生,属于必修课程之一。计算机基础课程中包含的是计算机的基础知识和基本操作,不仅能够让学生掌握一定的计算机基础知识内容,还帮助学生学习一定的计算机的基本操作,形成一定的计算机学科基本素养。进入到信息化时代,网络技术和信息技术得到了广泛的普及,传统的计算机教学模式和教学方法已经落后,混合式教学模式的出现,展现了强大的教学优势,对于提升高校计算机基础教学的质量和效率发挥着积极的作用。
科教论坛 |
互联网+背景下高职院校课堂教学模式的创新探析
现代社会是一个对互联网高度依赖的社会,生活的各个层面都已经离不开网络。我们的思想、方法、技术等生活和学习工作中的所有方面唯有与时俱进才能跟上日新月异的社会步伐。同样,我们高职院校的课堂,一个高技能职业人才培养的重要基地更需要跟上互联网的大趋势,才能更好地培养出符合自己办学定位及适应社会发展需求的人才。
科教论坛 |
基于OBE理念的专业核心课程体系构建
基于学习产出的教育模式(Outcome-based Education,OBE),是以学生学习结果或教育产出为中心来组织、实施和评价教育的模式,是高等教育实践与发展的趋势之一。《网络营销》是电子商务专业核心课程之一,本文以专业培养目标、毕业要求和课程培养目标为基础,基于OBE理念,从成果导向、目标分解、教学设计和“课程思政”等几个方面,将毕业要求有机地导入课程设计中,构建了与专业培养目标相匹配的课程教学体系。
科教论坛 |
创新创业背景下产品设计工作室教学改革研究
高校创新创业教育改革是国家实行创新驱动发展战略,是推动高等教育综合改革的重要举措。在此背景下,探讨了在创新创业教育下产品设计专业工作室教学改革新模式。本文通过对产品设计专业工作室教学的现状进行分析,结合创新创业教育,对产品设计专业进行教学创新改革,解决了产品设计学生专业知识与创新创业两者之间联系不紧密的问题,培养了学生的创新创业精神和实践能力。
科教论坛 |
“对分课堂”在“市场营销学”课程教学中的应用研究
作为一门兼具综合性与应用性的经管类课程,市场营销学的传统教学模式一直以讲授为主。但是随着现代高校教育理念的进步,学生对专业课程的授课形式和授课内容也有了更高的要求。这样的时代背景下,这种以教师讲授为主的教学模式已经跟不上学生的学习要求。如今,改进这种传统教学模式成为市场营销学课程教学改革的重要内容,对分课堂的引入正好给解决这一问题提供了新思路。
科教论坛 |
浅谈高职院校康复治疗技术专业教学现状
高职教育是我国教育的重要组成部分,更注重对学生专业技能的培养。随着我国人口老龄化的发展和人们健康意识的提高,康复治疗技术专业在我国康养产业中的地位越来越高,社会对康复治疗技术专业人才的需求也日益增多,对康复治疗技术专业的人才培养和教育教学模式的探索,也显得尤为重要。本文就高职院校康复治疗技术专业的教学手段和教育模式进行分析,希望能促进高职院校康复治疗技术专业的教学发展。
科教论坛 |
新工科背景下关于通识教育的思考
“新工科”建设是中国工程教育应对新技术和新经济发展的重要举措,对多元化、创新型卓越工程人才培养提出了新的要求。高等院校面对这一新形势,要重塑通识教育理念,继续深化教育改革,完善课程体系建设,提高教师自身素质,探索和实践新的教学模式和教学方法,为培养科学基础厚、工程能力强、综合素质高且能实现跨界整合的工程人才打下基础。
科教论坛 |
变限积分函数求导公式的推广及其应用
本文在常见变限积分函数求导公式基础上,探究含参变量的积分函数求导问题,给出含参变量积分函数求导公式,并结合算例给出公式的应用。
科教论坛 |
职业技能竞赛引领下的高职土建专业教学改革研究
职业技能大赛可以全面培养大学生综合素质,提高大学生专业技能水平。以嘉兴职业技术学院为例,总结了职业技能大赛引领下高职土建专业教学改革取得的成效及存在的问题。通过教学改革实践研究表明,职业技能大赛与教学相融合的模式可以提升学生综合能力和教师实践能力,推动实验室建设和教学改革实施,促进工学结合,教学改革成效显著。同时高职院校应积极解决教学改革过程中存在的问题,促进以职业技能竞赛引领下的教学改革的实施。
科教论坛 |
基于大数据背景下的商科概率统计课程改革探究
大数据时代必然带来人才培养模式、培养目标的变化。以“数据分析”和“信息挖掘”技术为基本素养的复合型、多元化的经管类应用型人才是当前社会对经济、金融、管理等领域对人才的基本要求,大数据背景下以培养基础数据思维素养和统计应用技能为培养目的概率统计课程的教学改革,从单方面知识的讲授向注重数据思维素质与统计技能培养的方向转变,需要在教学理念、教学内容、教学方法、考核方式上去创新。
科教论坛 |
新认证模式下燃气实验室改革探索与实践
高等院校实验教学和实验室建设的水平,是培养人才、体现学校综合实力的重要标志。本文对燃气实验教学改革和实验室建设方面的有关问题进行了深入探索,总结了实践经验,为实验教学改革和实验室建设提供了重要的参考。
科教论坛 |
浅谈钢琴教学新趋势
在当今网络十分发达的社会状况下,网络教学的现象已经十分普遍,音乐类的网络教学也随着网络的不断发展而被越来越多的人所使用并获得认可,这种教学方法灵活、高效、对时间场地等因素要求较低,且成本低;但由于网络所存在的不稳定性和不确定性,以及网络安全方面等因素,使得音乐类的网络教学也存在很多亟待解决的重要问题。
科教论坛 |
基于网络教学平台的在线课程教学改革探索
在线课程是高等院校教学质量和教学改革工程的重要内容,河北科技大学材料力学教学团队依托网络教学平台开展了在线教学,取得一定的教学成效。本文以《材料力学》课程为例,介绍了在线课程教学设计,包括课程目标、教学内容、在线资源建设、在线教学方式以及在线课程的考核评价方法,为高校在线课程教学改革提供一定的参考。
科教论坛 |
管理类线上线下混合式本科课程建设与实践探索
基于我国教育教学不断改革背景下,本科院校正在积极响应改革号召,不断在实践中构建管理类线上线下混合式本科课程。在信息时代下,借助互联网平台,将多种资料进行有效利用,发挥线上以及线下融合式课程优势。对此,本文主要分析了本科院校学生线上学习网络课程现状,管理类线上线下混合式本科课程实践方法,并提出了线上线下混合式本科课程构建思路。
科教论坛 |
基于实验数据分析的课程改革探索
实验数据统计与分析兼具理论性和应用性特点,对自然科学领域科学研究具有重要意义。本文以该课程为例,从教学内容、教学方法以及考核方式等方面提出了教学改革的措施和对策,旨在提升教学质量,培养学生实践能力,为读者提供教学改革参考。
科教论坛 |
环境设计专业实践教学探索
本文通过西安欧亚学院艾德艺术设计学院空间搭建课程教学,探讨在教学中学生对于设计作品的真实建造的意义和影响,以及过程中的课程教学方法和内容,注重学生在实践中学习知识,激发学生设计能力的同时也培养学生的实际建造能力。
科教论坛 |
木材科学与工程专业创新教育实践模式探讨
木材科学与工程是林业工程一级学科下一个重要的专业方向。其中,实践教学是木材科学与工程专业的重要组成部分。在实践教学模式、平台建设、基地建设三个方面开展创新教育,构建适用于木材科学与工程专业的创新教育实践模式,对提高木材科学与工程专业学生的综合能力,满足新时代发展需求具有重要意义。
科教论坛 |
精品在线开放课程的建设与实践
在线开放课程促进学生自主学习,推动课程建设和教学模式改革,促进教学评价体系的变革。本文以“Java程序设计”课程为例,探讨精品在线开放课程建设的研究与实践,包括教学内容与资源、教学设计与方法、教学活动与课程考核等,阐述了在线开放课程的具体建设过程,旨在为课程改革提供建设经验。
科教论坛 |
信息化教学模式在中职课堂教学中的应用探讨
当前我国信息化技术在各行各业中得到了快速发展与广泛应用,我国教育行业也发生了较大的转变。在我国中职教学体系中,信息化教学模式也得到了较为全面的应用,有必要在后续时间里进行深入的分析,充分发挥这种模式的价值。本文先阐述了信息化教学模式的优势,接着结合我国中职课堂教学的基本现状,探索了信息化教学模式的具体应用流程,最终从提高教师的综合素养水平、强化学生学习的主动水平、做好信息化基础资源建设三个方面,探讨了信息化教学模式的应用保障措施。
科教论坛 |
高校在线授课学习情况调查与分析
在线学习已经成为一种重要的学习方式,那么在线学习的学习效果究竟如何?针对学生在线学习效果,山东财经大学组织了全校范围内的学生在线学习情况调查,取得了第一手的资料,希望通过对调查结果的分析,为今后学生在线学习和教师在线授课提供一些可参考意见。
科教论坛 |
基于一流本科课程建设的工程热力学教学改革与探讨
论文介绍了基于能源工程系实施“能源类招生、平台培养”的状况,“工程热力学”课程组制定了一流本科课程建设方案,其中“青年教师高效培养模式”“PPT课件+翻转课堂的教学模式”“课程教学内容取舍的探索研究”“制作多个专题的多媒体课件”等具有一定创新性和可操作性,实践环节也取得了一定教学效果。
科教论坛 |
基于“互联网+”的移动教学法在预防医学教学中的探索
随着智能手机的日益普及和“互联网+教育”理念的推广,催生一批新的现代化教学手段,移动教学法是高等教育与“互联网+”结合的产物。为全面推进预防医学教学改革,充分利用移动教学法促进预防医学的教学,打造“以学生为中心”的智慧课堂,学习预防医学基础知识和基本技能,提高学生应对突发公共卫生事件的能力,最大限度地提高学生自主学习能力,提高学习效率。
科教论坛 |
大学物理分级教学改革的研究
分级教学是在学生身心发展的差异下为前提,确立以学生的学习为主体的理念,分别有目标地制定出教学目标及教学大纲和改变学习方法。创立评估体系,来促进每位学生在选取适合自己的教学模式和学习环境下,得到自己最优的一种教学策略。在教学改革过程当中,从实际出发来进行因材施教,循序渐进,逐步提高大学物理课堂教学质量。
科教论坛 |
基于PDCA循环的高职院校二级学院教学质量监控体系的构建
优质的教学质量是高校提升办学竞争力的关键,二级学院作为高校教学质量管理的一线部门,做好教学质量的监控和保障工作是其重要工作职责。本文总结分析了当前二级学院教学质量监控体系存在的不足,引入现代先进管理理论—PDCA循环理论,探索构建一个适合高职院校二级学院的系统的、科学的教学质量监控体系,从而强化教学质量监控能力,切实推进教学质量全面提升。
电子信息 |
生物技术与信息技术的融合发展
信息技术有着采集、处理、储存、整合、挖掘、解析等功能,在与生物技术不断融合的过程中,促使生物技术向可计算、可调控、可定量、可预测的方向发展,驱动生物科学的研究进入了更新的范畴。同时,生物体中神经元的信息交换和处理、基因的表达与调控为信息技术的发展提供了更多的思路。生物技术与信息技术的融合发展是社会和时代发展的需要,是工程发展的规律。
电子信息 |
医学图像处理课程应用型教学的探索与实践
医学图像处理是生物医学工程专业的一门核心课程。本文结合独立学院的学生特点、现状和应用型人才的培养定位,结合生物医学工程专业人才培养要求,从教学内容设置、教学方法的拓展以及课程设计环节等方面对医学图像处理课程进行探索与实践。
电子信息 |
液体膜电动机的探究
将附着在绝缘边框上的液体膜放在平行于膜面的电场中,并在平行于膜面的方向通上贯穿膜的电流。在一定的条件下,液体膜会发生旋转,这种现象被称为“液体膜电动机”。本文对此种现象进行研究,分析了液体膜在不同的电压与电场强度下的旋转速率,探讨了“转动”的原理并解释了这种现象。液体膜中的带电粒子受两个不同电场力的作用,而做环形轨迹的螺旋运动。通过研究得出了影响肥皂膜旋转速度的三大因素:电场强度、电流强度、液体中离子的浓度。本实验对理解带电粒子在较复杂电场中的运动有一定的指导意义。
电子信息 |
大数据背景下电商精准营销的策略研究
随着科学技术手段的不断提升,大数据技术得到充分的应用,在慢慢影响着人们生活的方方面面。众多的电商企业开始井喷式的出现。利用大数据分析,可以提供更具弹性、定制化、个性化的产品和服务。因此对大数据背景下的电商精准营销策略进行探究,探讨精准营销的发展的契机与未来的创新点。
电子信息 |
云端智能识别技术在电力巡检中的应用
我国电力系统内部发展稳定,电力供应是基础民生工程,为保证电力安全稳定,需要定期进行电力巡检,工作量巨大,因此需要电力系统中具备更加智能化的相关操作,将人工操作技术难度降低,保持安全作业。本文将云端智能识别技术的系统功能和技术优势进行阐述,分析在电力巡检中相关应用,与传统巡检模式的对比下可得出智能识别技术更多实用意义。
电子信息 |
基于照相测量与三维激光扫描组合测量系统精度探究
本文通过对照相测量、三维激光扫描技术进行阐述,构建基于照相测量与激光扫描组合测量系统,对大尺寸工装进行高密度点云测量,并与三坐标测量机进行对比,探究工程应用中的测量精度,以期为国内飞机制造企业和技术人员提供借鉴和参考。
电子信息 |
机电专业虚拟仿真实验平台建设
针对机电专业传统实验教学模式存在的问题,空军预警学院深入开展虚拟仿真实验教学研究,构建机电专业虚拟仿真实验平台,实现了多媒体技术、虚拟仿真技术的深度融合。实践效果表明,该虚拟仿真实验平台能够充分调动学生的积极性,提高教学实训效率。
电子信息 |
基于云班课的动态网站开发课程构建
随着互联网和大数据等技术的飞速发展,先进的技术手段与高校课程的相融合已成为高职教育改革的大趋势。为提升课堂教学质量,提高学生学习效果,本文将蓝墨云班课平台与《动态网站开发》课程相结合,探讨如何利用新技术突破传统教学手段的局限,激发学生学习兴趣,提高学生的学习能力,并对课程的设计给出了合理化建议。
电子信息 |
基于智慧职教云平台线上教学课程建设与实践探索
“工程力学”是机械类等相关专业重要的职业技术基础课程,它与工程技术联系极为紧密,重点在于解决工程实际问题,具有理论性、基础性和应用性等特点。面对“互联网+教育”快速发展的新时代,传统的教学模式现已不能完全满足教师教学和学生学习的现实需求。本课程线上教学充分合理利用信息化技术,重点从课程建设目标任务、线上教学资源建设、教学过程实施及考核评价等三个方面介绍了基于智慧职教平台的线上教学的课程建设。通过教学实践探索开启了“云平台+直播”的线上教学新模式,实现了课程建设的目标任务,取得了很好的教学效果,能为其他课程线上教学的开展、建设和实践提供有益的参考和借鉴作用。
电子信息 |
高效制作PPT课件的途径和方法
安装使用office2016和“PPT美化大师”插件,充分利用幻灯片母板功能、SmartArt图形、更改图片功能、更改形状功能、动画刷功能和利用快捷键是高效制作PPT课件的有效途径和方法。
电子信息 |
雷达收发原理课程教学实验平台建设
雷达收发原理是我院雷达工程、预警探测指挥与工程等专业最重要的专业课之一,受实验条件的制约,多年来实验教学多以验证性实验为主。本文结合雷达收发原理的实验教学改革,提出了课程实验设计思路,给出了实验安排,研制了雷达收发原理实验教学平台,三个期班教学实践证实了实验教学内容合理性和实验教学平台的有效性。
电子信息 |
材料成型专业电工电子技术课程教学改革探究
本文根据材料成型及控制工程专业最新人才培养方案的要求,重点分析了《电工电子技术》课程存在的问题,并提出一些新的解决问题的方法与对策,对课程中某些教学内容与授课方法进行了探究,以适应于材料专业学生学习的发展方向,满足应用型本科人才的发展需求。
电子信息 |
“太阳能空气源热泵系统”动态特性分析软件开发及教学应用
为推进我省教学案例库建设,推动高校进一步深化对专业学位的认识,转变专业学位人才培养理念,省教育厅学位中心及我校均设立了专业学位研究生教学案例库立项建设项目。基于项目实施,课程组针对研究生案例教学,开发了“太阳能空气源热泵系统”动态特性分析软件,该软件可以为热力系统优化设计提供指导。
电子信息 |
整机分模块方法在电子技术系列课程中的应用
文章通过从电子产品整机到模块又从模块到整机的过程,分析和梳理电子技术课程内容的特点,将分模块整机教学方法引入课堂教学,通过一些实例将抽象的概念形象化,旨在提高学生的接受程度,从而进一步激发学生的学习兴趣,提高学习效果,具有良好的理论意义和实际意义。
电子信息 |
VR背景下测绘类专业产教融合实践模式探究
针对高等院校测绘类专业的实训模式单一,产教融合运行不畅,实训资源不能完全开放等问题,根据实际,利用虚拟现实、互联网等新技术,构建了VR+产教融合平台,给出了提出了教学资源快速更新、教学质量反馈闭环的校企深度合作新模式,构建了一种“仿真、模拟、实战”三位一体测绘类专业产教融合实训模式。经过产教实践基地的实践,对同类专业实训模式和产教融合基地建设有一定的借鉴作用。
电子信息 |
高校档案管理信息化研究
新修订《中华人民共和国档案法》的公布,确定了电子档案的重要地位,也指明了未来档案管理信息化的趋势。当前部分高校档案管理人才缺乏,档案信息化进度较慢,缺少安全高效率的档案管理系统。为推进档案信息化工作,针对电子档案的优势进行了分析,对高校档案管理信息化系统的设计进行了研究,并进一步对档案管理工作提出建议。
工程技术 |
道路岩土工程勘察简析
自改革开放以来,我国已经有了日新月异的发展,随着我国的社会主义市场经济发展的不断加快,我国各个发展领域都已经取得了极为明显的进步,道路岩土勘察技术已经由传统古老的人为勘察转变为现如今科技技术工程勘察,其质量水平也在逐渐提高。然而在实际的岩土勘察过程中,依旧存在了诸多的问题,本文主要就发现的问题予以提出,并针对性提出策略予以改正,这样才能够全面地推动我国道路岩土工程勘察技术的可持续发展,从而确保勘察质量。
工程技术 |
绿色节能技术在建筑工程中的应用
由于我国的经济实力不断增强,也推进了我国建筑业的不断进步。在建筑行业不断蓬勃发展的今天,建筑工程施工企业想要在这场战役中脱颖而出,就必须要有符合现代技术要求的新型施工技术,而节能环保技术在建筑业也是一个发展的新方向,不过当前我国建筑行业还面临着污染严重以及能源消耗大的问题。我国能源匮乏,能源也是国家发展的一个重要标准之一,所以节能问题对于建筑行业来说还是至关重要的。想要在建筑行业发展得更好,就一定要注重新型绿色节能技术的研发和人才的培养。本文将对新型绿色节能技术在建筑工程方面展开研究和讨论。
工程技术 |
探究风道结构优化对地铁车室内气流组织均匀性影响
随着我国经济建设的快速发展,城市化的进一步集中,城市交通中的地铁已经成为了现代交通的重要工具。其中,空调送风系统的好坏直接影响着城市地铁乘客的舒适程度,同时也是地铁车辆中最为重要的子系统之一,而空调送风系统中的风道结构的均匀性,在很大程度上决定着乘客的热舒适性。因此,本文对风道结构通风量因素的内部配置,新鲜空气入口条件,内部空气出口条件做了一定的研究,通过改变进口速度、出口位置,从而优化风道结构,改进室内组织的均匀性。
工程技术 |
大塔冲尾矿库前期低浓度尾矿浆堆积尾矿沉积规律研究
本文介绍了大塔冲尾矿库前期低浓度尾矿浆堆积尾矿特征,该尾矿库低浓度尾矿浆堆积尾矿的沉积规律、物理力学指标等符合上游法堆积尾矿的一般沉积规律,其强度指标能满足尾矿库正常生产及继续堆积。但在尾矿浓度、生产方式改变后,需进行尾矿堆积规律及强度的研究分析,确保尾矿坝的稳定。研究数据能为尾矿库的相关勘察、设计、施工、评价及运行管理提供技术支撑。
环境科学 |
产业结构和人口密度对可再生能源影响分析
目的:考察我国2000—2019年三大产业增加值和人口密度变化对可再生能源的影响,旨在证明产业结构和人口密度对我国可再生能源生产技术的推广具有一定影响。方法:采用宏观面板数据,进行相关性分析。结果:第一产业的发展有利于可再生能源生产技术的推广,第二产业发展和人口密度的增加阻碍了可再生能源生产技术的推广,第三产业的发展对可再生能源的影响不显著。结论:在不同经济发展水平和不同用电量规模的省份中均具有一致性。
环境科学 |
关于绿色物流发展分析
随着物流行业的快速发展,在大的行业背景下,环境问题逐渐凸显。人们的生活开始受到环境的污染,为了抑制物流对环境造成的危害的同时实现对物流环境的净化,使物流资源得到充分的利用,以符合可持续发展的需求,我国逐渐提出了绿色物流的理念。随着绿色物流的提出,跟随其发展的利弊条件,发展过程中暴露的问题也接踵而来,所以在本文中将运用SWOT分析法,对绿色物流的发展中的一系列问题进行系统分析。
环境科学 |
阜宁县非织造布制造行业污染管控研究
笔者结合自身参与阜宁县第一次和第二次全国污染源普查的工作经验,针对非织造布制造行业的污染排放,从生产工艺、产污环节、产排污核算、存在问题、对策及建议等几方面开展非织造布制造行业污染管控研究。
环境科学 |
纳滤膜有机污染研究
纳滤膜由于具有优异的性能而在净水方面引起了极大关注,而膜污染,特别是纳滤膜的有机污染却极大地限制了其广泛应用。前人做了很多这方面的研究,但仍然没有完全揭示纳滤膜的有机污染。本研究主要总结了纳滤膜的特征污染物、分离机制及污染机理,并介绍了几种目前常见且应用广泛的膜污染表征方法。
环境科学 |
浅谈土坝蚁害防治方法
白蚁危害的综合治理是水库建设与维护过程中的重点工作,本文根据几个案例,说明白蚁对土坝危害的严重性,对白蚁的生活习性进行分析并提出防治白蚁的方法,有效防治土坝白蚁确保水库安全运行。
理论研究 |
挖掘地域文化资源 深化民族团结教育(二)
在波澜壮阔的民族发展史中,从金戈铁马到保家卫国,河套各族共同开发了生活的土地,书写了悠久的历史,共同创造了灿烂的经济文化,共同培育了伟大的精神面貌。不同民族在相互交往中增进了解,加强依赖,形成“你中有我、我中有你”的民族关系,梳理河套文化中民族交往交流交融的因素有利于我们铸牢中华民族共同体意识。
理论研究 |
“1+X”证书制度实施的必要性
随着时代的发展和国家教育体制的不断完善以及中国社会经济的发展,高职院校为适应社会对人才的需求,实施了“1+X”证书制度。本文首先对高职院校学生就业现状进行分析,然后对“1+X”证书制度出台实施后,对高职教育带来的影响全面展开分析,最后对高职院校实施“1+X”证书制度的必要性进行总结分析。
理论研究 |
网页设计课程教学中学生自主学习激励机制研究
课程教学,质量为先。笔者针对网页设计公选课教学过程中存在的问题,结合本课程特点研究与探索学生自主学习激励机制并提出了一系列激励措施。通过这些措施的实施激发学生兴趣,挖掘潜力,提升创造创新能力。
理论研究 |
健康教育路径对糖尿病病人护理管理的价值
目的:评估糖尿病患者实施健康教育路径的价值。方法:针对70例本医院诊治的糖尿病患者纳入实验资料,2018年12月至2019年12月是抽取时间,以随机数字表法对患者分成实验组与参照组,每组各35例。分别予行常规护理、健康教育路径,比对两组护理前后相关知识掌握水平、血糖指标。结果:(1)糖尿病患者护理前相关知识掌握水平具有一致性,显示出数据检验无统计学意义(P>0.05)。实验组护理后饮食控制、合理运动、血糖监测、并发症防治掌握水平高于参照组,显示出数据检验统计学意义(P<0.05)。(2)糖尿病患者护理前血糖指标具有一致性,显示出数据检验无统计学意义(P>0.05)。实验组护理后空腹血糖、餐后2h血糖、糖化血红蛋白短于参照组,显示出数据检验统计学意义(P<0.05)。结论:糖尿病患者实施健康教育路径护理效果显著,患者对于糖尿病的认知水平有所提升,其血糖指标得以显著改善。
理论研究 |
硕士研究生科研素质及科研能力培养的探索
硕士研究生作为高端人才供给的源泉以及国家人才供给的重要保障,其教育工作是培养我国高层次人才的关键环节,是关乎我国国家发展和未来命运的大事。本文通过介绍硕士研究生现有科研能力相关情况,再提出通过设计系统性科研相关课程来丰富研究生教学内容、牵头国内外学术团队沟通交流、广招不同学科基础的教师形成教学队伍等意见,来探索培养我国硕士研究生科研素质及能力的策略和措施,以加强我国硕士研究生教育水平和质量。
理论研究 |
W公司压缩机总装一线生产线平衡优化与改善
本文针对W公司压缩机总装一线装配线平衡率不高的问题,通过对企业总装线现状分析,找出了影响企业总装线平衡率的瓶颈工位。另外,论文通过装配线工位作业分析和后期现场改善两大方面的内容对瓶颈工序进行优化改善,提高了公司总装生产线平衡率,同时提升了企业的单日产能。
理论研究 |
女足校队战术训练实践及运用实效分析
足球比赛中有效的运用战术是致胜的关键。本文采用文献资料法、观察法、问卷调查法、数理统计法,对云南农业大学女足校队逼抢战术训练实践及运用实效进行分析。发现:高位逼抢和区域逼抢配合速度、耐力、柔韧、核心力量四大专项体能训练共同构成云南农业大学女足校队逼抢战术训练体系,临场比赛中逼抢战术的灵活运用能确保球队取得优异成绩。
理论研究 |
邯郸市适龄期女性HPV疫苗认知情况和接种现状调查研究
目的:了解邯郸地区适龄期女性对HPV疫苗的认知程度和接种现状,分析影响疫苗接种的因素,为HPV疫苗推广提供参考依据。方法:本研究采用随机抽样法抽取邯郸地区1008名适龄期女性进行问卷调查。结果:调查对象中HPV疫苗的接种率仅为5.3%,78.9%的女性有HPV疫苗接种意愿,文化程度、医疗费用支付方、亲朋是否有肿瘤病史是影响接受疫苗接种的主要因素。结论:调查对象对HPV疫苗认知水平和接种率较低,应加大HPV疫苗相关知识的宣传力度,并注重信息的正确性和专业性,从而提高邯郸市适龄女性HPV疫苗接种的普及。
理论研究 |
档案数字化建设中若干问题的研究
近年来,科学技术的飞速进步,信息技术水平提升速度也越来越快,档案数字化已经渐渐成为了各个行业以及单位档案建设的主要任务。但是,因为被诸多因素所干扰,使得档案管理在智能化以及自动化的呈现上,档案信息资源也日益复杂,面临的问题颇多。基于此,本文深入研究了档案数字化建设,对现存的问题展开了深层次探究,并提出了具有一定可行性的建设方案,以期相关人员能够借鉴。
理论研究 |
空间治理体系下广东省“三旧”改造政策评述
“三旧”改造是广东省推进用地节约集约利用试点工作的产物,自出现以来经历了十年的演进,在省、市、区层面不断完善与丰富其政策体系,成了广东省促进城乡发展的重要手段之一。随着国土空间规划时代的到来,“三旧”改造又有了新要求,本文以空间治理体系为切入点,从治理体系的层次性、主体多元性、差异性、实体性与均衡性五个方面对广东省“三旧”改造政策进行评述,从而判断现有政策体系的得失,并提出政策建议。
理论研究 |
“网约药师”服务探讨
随着医疗事业的不断发展,人们用药安全意识不断提高,虽然我国执业药师的数量逐年增加,但是中国进入人口老龄化社会,慢性病患者的人数也与日俱增,居民对用药指导的需求不断提高,使药师的服务无法更好地满足患者用药需求。本文通过对市场和患者对药师网络服务需求的调研,提出“互联网+药师”,即网约药师,远程指导患者进行用药。通过网约药师,不但可以提高药师的专业价值,而且可以使患者足不出户就可以享受到药师提供的专业的药学服务。
理论研究 |
护理干预母乳喂养的效果分析
该文欲从文献计量信息的角度,探讨护理干预对母乳喂养的作用。通过文献调研发现,新生儿免疫力低、体质弱的状况可以通过长期母乳喂养改善,母乳中所含物质可提供婴儿成长所需的所有营养和抗体。护理干预对母乳喂养的作用主要体现在提高母乳的量、母乳的质量、母乳蛋白的量等,从而促进新生儿健康成长。
理论研究 |
基于信息生命周期理论的图书采购绩效研究
文献信息的采集是图书馆业务工作的源头,是构建图书馆文献资源保障体系的保证。网络阅读、移动阅读的快速普及,为图书采购的学科化、精准化提出了更高的要求。如何通过科学的管理从图书采购的源头提高图书采集的质量,是图书采购研究的热点。本文基于信息生命周期理论,通过信息生命周期与采购数据相互关联分析,探讨了提高图书采购绩效的途径。
理论研究 |
转型背景下应用型本科院校汽车服务工程专业人才培养方案探究
汽车服务工程专业培养面向生产、建设、服务和管理一线,德智体美全面发展的社会主义建设者和接班人,培养具备扎实的汽车服务理论基础,掌握现代信息技术和经营管理知识,熟悉相关法律法规,具备“懂技术、会经营、善服务”的基本素质和能力,能够在汽车技术服务、汽车营销服务、汽车金融保险服务、汽车相关产品规划等领域从事技术或管理工作的具有团结协作、勇于探索、善于解决问题的复合型、创新型、应用型工程技术人才。
理论研究 |
基于工作研究的H公司D系列产品总装线改善
为改善H公司D系列产品总装线以提高生产率,运用流程程序分析和人机作业分析展现生产运作现状,运用5W1H分析法进行提问分析,以ECRS四大原则针对问题提出改善方法。对改善前后进行对比,通过秒表时间研究方法制定标准时间,经过改善减少了45%的作业时间,有效提高了D系列总装线的生产效率,表明本文提出的改善方案有效可行。
理论研究 |
连锁零售企业物流配送模式研究
随着我国连锁便利店企业在我国市场的发展,商品物流配送的技术作为连锁便利店经营的核心技术,已经成为了连锁经营的基本保障。然而相对于滞后的物流配送系统严重地约束了连锁企业的发展,并且阻碍了我们国家的连锁运营模式经济效益的发展,成为了连锁企业发展的阻碍。对于便利店信息系统多方面的管理模式,地毯式轰炸的集中开店战略、物流配送的高效率重要性展开了研究和讨论,为了力求物流配送的利润取得最优化,所以借鉴企业战略的观点,并且提出了建议针对我国连锁企业运营模式的效益化。
理论研究 |
形体训练中肢体造型与空间关系的研究
随着人们生活水平的不断提高,以及审美水平的不断提升,对于形体塑造也投入了更多的关注。而形体塑造可以很好地展示一个人的外在形象与外在气质。在现阶段的形体训练当中,要对学生的肢体造型进行规范而高效的训练,帮助学生更好地展示优美的外形曲线。另一方面要注重具体造型与空间之间的关系。把握不同角度,不同方位,不同空间层面,对于人体肢体造型展示的不同效果,从而来推动形体训练的规范式发展。
理论研究 |
财经类大学生创业意愿、动机调查及创新创业教育改革
基于创业动机理论和西部某财经院校的调查数据,发现大学生的创业意愿不高,且呈现出显著的性别差异和多元创业动机,高校的创新创业教育还存在较大的改进空间。高校应注重培养学生的创新精神,并将之融入专业教育;应为学生提供更多的比赛机会,以赛促创;应通过建设校内训练营增加学生的创业体验,并最终改善创新创业教育效果。
理论研究 |
基于固液双介质的导水机构双叶栅流场研究
基于Pro/E模型,Gambit网格,采用固液两相流介质,用计算流体力学(Computational Fluid Dynamics)方法分析了某电站导水机构双列叶栅的位置关系是否会导致水轮机水力损失的变化;对双叶栅5种位置关系的压力、速度分布及水力损失进行水力计算,证明双叶栅的位置关系会对导水机构流场产生较大作用。CFD计算结果表明:在最优工况和额定工况下,双叶栅相对位置为较大时,水力损失较小。
理论研究 |
时间压力和任务类型对大学生前瞻记忆TAP效应的影响
采用2(时间压力:控制组、压力组)×2(进行中任务类型:语义加工、知觉加工)×2(前瞻记忆任务类型:语义加工、知觉加工)混合实验设计,考察时间压力对不同任务类型下大学生前瞻记忆TAP效应的影响。结果发现:在有时间压力的条件下,进行中任务若为知觉加工,前瞻记忆任务为知觉加工的正确率高于任务为语义加工的正确率;进行中任务若为语义加工,前瞻记忆不同类型任务正确率差异不显著。结果说明时间压力条件下,大学生前瞻记忆TAP效应部分存在。
理论研究 |
地摊市场对大学生创业的影响探析
大学生是当前国家创新型人才的主要对象。调查显示,高比例大学生产生过创业的想法,但实践的比例却很低,据《2018年中国大学生就业报告》,长三角地带的大学生创业成功率只有5%左右。而在这次风靡一时的“地摊市场”的推动下,大学生参与地摊创业的比例却持续增长。文章通过中国大学生的创业问题与地摊市场相结合,对大学生创业现状、创业困难的原因与地摊市场对大学生创业的推动作用进行探析。
理论研究 |
眶下黑眼圈的诊疗
从眶下黑眼圈的临床表现,可能的致病原因,疾病临床分类和治疗现状等方面,总述了近年来中西医在临床上对黑眼圈的研究以及诊疗情况。眶下黑眼圈的诊断无统一标准,如何充分发挥中医药特色并结合现代技术治疗,仍是亟待探索和研究的问题。
理论研究 |
新高考政策下高校人才培养的挑战与应对之策
新高考改革提出“两依据一参考”的招生录取机制,高校作为人才培养主体,必然会受这一政策的直接影响。因此,探究新高考政策下高校人才培养所面临的挑战和应对之策具有重要意义。研究发现:新高考政策实施以后,高校普遍面临生源差异化程度增大、生源学科基础薄弱、高端人才难以选拔、综合素质评价信息难以使用等问题;在分析高校具体生源结构的基础上,通过开设预科课程、强化通识教育、落实选科指导、优化专业布局、强化综素使用等针对性措施,可有效改善招生、提高人才培养质量,对于新高考政策的顺利实施具有重要意义。
机械化工 |
基于正交实验的工业机器人轨迹精度检测
工业机器人轨迹精度在机器人性能属于较为重要的参数指标,用于工艺加工的工业机器人工厂在轨迹精度与重复精度方面要求极高。基于Radian激光跟踪仪的高精度测量平台,针对机器人的轨迹速度特性测试实验进行正交试验设计,实验结果表明:在忽略其他因素的情况下,温度、负载、速度3因素中对于机器人轨迹速度特性影响最大的是负载因素。
机械化工 |
《机械设计》课程工程伦理的研究与探索
立足盐城工学院实际,在“新工科”背景下《机械设计》课程工程伦理的研究与实践,完成了高校工程伦理研究的意义、缺失的内在原因、教学建设的具体内容、教学实施途径。
机械化工 |
铝合金6061、3A21材料交替真空钎焊工艺方法探究
本文从3A21材料铝合金真空钎焊机箱缺陷分析入手,通过分析真空钎焊机制、6061和3A21材料特点、钎焊特点、工艺过程等方面,结合生产经验,优化了真空钎焊工艺过程,解决了铝合金机箱焊缝开裂问题,为后续生产提供依据。
机械化工 |
工业机器人误差建模与分析
当前工业机器人重复定位精度高,一般都能达到0.01mm以下,绝对定位误差精度较低,比重复定位精度高了1-2个数量级,成为了制约工业机器人发展应用的主要因素,首先利用矩阵法建立工业机器人误差模型,再利用Monte Carlo数值仿真法,运用控制变量法研究各连杆参数误差对机器人末端位置的影响,仿真结果表明,前三关节的关节转角误差和连杆扭角误差对末端位置误差起到主导作用,其余参数误差可以忽略不计。
机械化工 |
无锡地铁1号线电客车轮对修复镟可行性探讨
轮对作为转向架的重要组成部分之一,起着承载车体等重要作用;其状态性能对于列车平稳性及乘客舒适性起着决定性的作用;然而,由于各条线路各区段条件不一,以及其他运行条件等,导致各轮对的磨耗量、磨耗角度、磨耗速率等各不相同,甚至于部分轮对出现异常磨耗现象。镟轮虽能很好地解决这一情况,但频繁的镟轮会导致轮对的消耗加剧,从而导致运营成本增加。本文,我们将借一号线轮对异响故障,找出导致轮对踏面的各项数据变化快慢的因素,在各数据变化量与镟修量中找到平衡点,在最小化镟修量的基础上,不断提高列车平稳性能,即轮对修复镟。
机械化工 |
螺栓结合面的特性影响研究
一个完整的机械产品一般都是由各种零部件组装联接得到的,其中的螺栓联接是应用最广泛的一种联接方式,正是由于联接的存在,使得整机系统不再连续,各零部件之间形成了若干个结合面,结合面的特性对整机系统的性能有着重要的影响。