期刊详情
查看往期
期刊目录
2021年15期
前沿探讨 |
汽车开发中项目管理的实施与应用分析
摘 要:随着人们生活水平的提高、消费水平的提升以及科技的不断发展,汽车已经成为我们生活中常见的用品,并得到了在世界范围内不断普及。在这一时代背景下,人民的需求推动着汽车产业的不断发展。在汽车业蓬勃兴起的条件下,消费者对于汽车的要求不断提高。如何给消费者提供更多优质的产品和服务,提升汽车制造的效率,节省成本,是我们现阶段必须要考虑的问题。这就需要我们重视在汽车开发过程中的项目管理的实施以及应用,不断
前沿探讨 |
智能网联汽车测试技术探究
摘 要:随着汽车技术的不断发展以及生活质量的不断提高,在车辆的市场中,对于车辆的环保性、安全性等要求也越来越高。因此,近些年来不断出现新型的车辆,其中最重要的一部分发展就是智能网联汽车。本文通过对智能网联汽车的测试技术展开分析,期望可以进一步的熟悉和了解智能网联汽车。 关键词:智能网联汽车 测试 系统 Research on Testing Technology of Intelligent
前沿探讨 |
济南市机动车排放检验新国标实施成效分析
摘 要:2019年5月1日,济南市实施的机动车排放检验国家标准《汽油车污染物排放限值及测量方法(双怠速法及简易工况法)》(GB18285-2018)、《柴油车污染物排放限值及测量方法》(自由加速法及加载减速法)(GB3847-2018)。截至目前,新国标已近实施近两年,本文将通过统计2019年5月1日以来济南市机动车排放检验数据,以全面了解济南市新国标实施的成效,进一步发现存在的问题,分析产生的原
前沿探讨 |
超声波内外窗擦窗器研究
摘 要:为应对居家生活以及写字楼擦窗户的繁琐性和危险性,于是我们基于机械摆动机构和齿轮机构,并结合超声波理论、电磁学、美学等设计出来一款超声波内外窗擦窗器。通过摆动机构、连杆机构、超声波系统来实现玻璃的内外自动擦洗,这款设计即可以省时省力,又降低危险系数,极大的方便了人们的生活。 关键词:全自动 超声波 擦窗器 智能家居 Research on Ultrasonic Window Cleane
前沿探讨 |
基于多目标滑模控制的车辆换道轨迹跟踪控制研究
摘 要:针对基于传统滑模控制的车辆轨迹跟踪控制精度不高、抖动现象明显、稳定性不高等问题,本文设计了一种多目标姿态/轨迹跟踪二阶滑模控制策略。以车辆二自由度动力学模型为基础,搭建轨迹跟踪误差模型,结合滑模控制,实现期望横向位置和方位角的多目标的跟踪控制,进而完成五次多项式换道轨迹的跟踪控制,提高了轨迹跟踪效果;并引入饱和函数,消弱滑模控制的抖动现象。仿真表明:在不同工况下进行五次多项式换道控制,该控
前沿探讨 |
工业机器人在智能制造中的应用分析
摘 要:随着科技的不断进步发展,制造行业当中的操作流程也越来越智能化,科技发展当中的很多实质性创新都被广泛地应用于工业服务当中,提升生产效率,由此,一些重复机械化的工作已经不需要借助人工操作,工业机器人可以在一些反复流程当中担当着重要的生产角色,促进生产质量发展。科技的发展为各个行业的创新都提供了便利的条件,但是相比于其他一些发达国家,我国的工业机器人在智能制造中的应用还存在一些明显的不足之处。智
前沿探讨 |
地铁屏蔽门系统智能通风窗的研究
摘 要:根据国内地铁通风空调系统的技术特点,可在车站与区间隧道间增加可控制的电动通风窗。在空调季节,通过关闭通风窗将区间隧道与车站隔离,可减少车站冷量的损失。在非空调季节,通过开启通风窗将区间隧道与车站连通,充分利用列车运行产生的活塞风对车站进行通风,可减少风机的开启时间。同时,根据现场实际通风需求,对现有通风模式进行优化,可全面降低通风空调系统的能耗。 关键词:屏蔽门 智能通风窗 节能 Re
前沿探讨 |
基于5G网络下的物联网通信技术与挑战
摘 要:近年来,我国科学技术水平高速发展,人们已经进入了信息时代。4G时代,人们已经感受到了通信技术给生活带来的便利,而5G时代的到来,将会为人类的生活和企业的发展提供巨大的平台,对于物联网技术发展来说,5G时代既是一个机遇,也是一个挑战,本文主要围绕5G时代物联网通信技术发展的优势、关键技术、挑战因素进行分析和阐述,为物联网技术的具体应用提供依据。 关键词:5G网络 物联网 通信技术 Com
前沿探讨 |
探究电气传动控制系统中单片机技术的应用
摘 要:在信息化技术、自动化技术不断发展的今天,电气传动控制系统也逐渐迎来了改造升级的新机遇,而单片机技术的大规模应用,则是电气传动控制系统升级发展的必然选择。为了提升电气传动控制系统中单片机技术的应用效果,首先需要了解单片机技术和电气传动控制系统的概念,在此基础上对电气主回路、单片机系统、C程序与汇编程序的协同开发以及算法改进等应用要点进行深入研究。 关键词:电气传动控制系统 单片机技术 E
汽车教育 |
双高建设背景下铁道车辆专业课程体系建设研究与实践
摘 要:柳州铁道职业技术学院是入选广西“双高建设”的高职院校,铁道车辆专业是本校重点专业。在学校大力推进双高建设的过程中,积极开展专业人才培养模式、课程体系、创新教师队伍等方面的建设。其中,课程体系建设是双高建设的根本和基础,是深化职业院校教育改革的重要方向,本文对铁道车辆专业课程体系建设进行了有意义的研究和探索。 关键词:双高建设 铁道车辆 课程体系 人才培养 教学模式 Research a
汽车教育 |
新工科背景下《汽车构造》教学模式研究
摘 要:汽车构造课程是汽车服务工程、车辆工程专业的必修课程,本文在结合“新工科”和“课程思政”的背景下,对汽车构造课程的教学模式进行探索研究,利用线上丰富的课程资源优化传统的教学方法、教学手段及考核方式,引导学生线上+线下混合式学习,自主融入课程思政元素,通过该教学模式,可充分调动学生自主学习的积极性和主动性,在提高学生自主分析汽车机械结构、电器和电子系统能力的同时,提升了学生历史文化、标准法规、
汽车教育 |
中德合作汽车专业人才培养模式创新的实践与思考
摘 要:伴随汽车的逐步普及与其售后服务等关联行业的迅猛推展,社会对汽车专业方面人才的需求日益增多,传统汽车行业人才培育方式已经不能够与现今汽车发展相适应。因此,在高等职业学校中,开设及创建汽车专业人才培育是汽车行业发展中,势在必行的一项系统工程,而中外协作办学是高职院校教育步入国际化方向的一个重要渠道。本文以在高职院校中,引入中德协作办学方式为切入点,依据我国汽车领域特点,对高等职业学校汽车专业人
汽车教育 |
职业院校二手车鉴定与评估专业课程体系构建探索
摘 要:顺应二手车行业发展趋势,设立二手车鉴定与评估专业。通过专业调研明确行业岗位人才需求,并据此确定专业人才培养目标、适用岗位,构建探索专业课程体系和有关教学实施保障。 关键词:二手车鉴定与评估 课程体系 构建与实施 Exploration on the Construction of Professional Curriculum System of Used Car Appraisal
汽车教育 |
高职汽车技术服务与营销专业实践教学改革方略谈
摘 要:高中汽车技术服务与营销专业是为汽车建设、生产与服务培养一线技能人才的重要课程,优于汽车类专业本身就具有较强特殊性,再加上职业院校复合型人才培养诉求,如何做好这一专业实践教学改革也成为教师教学调整与优化的重要方向,同时也是学生综合素质及能力得以提升的关键。为此,本文也就高职汽车技术服务与营销专业实践教学改革方法展开了探索。 关键词:高职 汽车技术服务 营销专业 实践教学 On the R
汽车教育 |
高职院校汽车类专业网络课堂教学质量调查分析及对策
摘 要:本次调查针对线上教学及学习情况,从教学态度、教学内容、教学资源、教学方法、教学效果等方面进行学生问卷调查,最终得出每个班每位老师每门课程的教学质量评价数据。并对各评价数据进行整理分析,针对问卷调查中表现出的问题给出改进对策。 关键词:线上教学 问卷调查 教学质量 Investigation, Analysis and Countermeasures of Network Classro
汽车教育 |
1+X证书制度下汽车检测与维修技术专业教学研究
摘 要:现如今,随着科学技术和社会经济的日益进步与发展,汽车已经成为了人们生活中必不可少的交通工具。然而,由于汽车使用频率的不断提升,汽车的检测与维修问题也日益频繁。这使得我们有必要加强对于该方面人才的培养和技术水平的提升。鉴于此,本文主要针对一加X证书制度下汽车检测与维修技术专业教学进行相关浅析,仅供参考。 关键词:1+X证书 Teaching Research on Automobile
汽车教育 |
“1+X”证书融入一体化分段培养的教学模式改革和应用策略研究
摘 要:我国职业教育进入了高质量发展的新时期,对人才培养提出了新要求。19大以来,国家出台了一系列利好职业教育的新政策。在国内经济大循环的背景下,职业教育培养群众满意、企业满意、社会满意的技术技能人才关乎着国家的经济能否蓬勃发展。在职业教育高速发展的新阶段,中高职之间不能各自为政,一体化设计应具备可行性。本论文以枣庄职业学院汽车系为例,对如何以“1+X”证书为标准开展中高职一体化分段培养进行探讨。
汽车教育 |
中国制造2025背景下高职机电类毕业生 就业现状与对策
摘 要:根据“中国制造2025”的战略部署把我国建设成制造强国的制约因素之一是高水平技术工人的巨大缺口。高职机电类毕业生作为高水平技术工人的主要组成部分和大国工匠精神的传承者之一,对制造强国战略的实施起着至关重要的作用。本文以汽车制造与装配技术专业为例对高职机电类毕业生的就业现状进行了调查和分析,并探讨了促进就业,进而助力制造强国战略的对策。 关键词:智能制造 机电类 就业 高职生 Emplo
汽车教育 |
基于产教融合形势下的校企共建汽车检测与维修研究中心的探索与思考
摘 要:高校的培养模式与企业的需求只有无缝对接,才能培养出企业认可的学生。那么,在这种形式下,高校就必须与企业深度合作,采取有效的方法和手段,对人才培养方法进行探索,对实训室建设进行优化,寻找出最佳的人才培养方法的途径。 关键词:校企共建 产教融合 校企合作 Exploration and Thinking about the School-enterprise Joint Construct
汽车教育 |
高职《新能源汽车概论》课程思政教学实践研究
摘 要:随着全球社会主义市场经济一体化发展,能源危机已经成为全球危机。我国政府以超拔的顶层设计思路,提出了化危为机的新思想,推动了新能源发展战略。本文以此为背景,选取高职《新能源汽车概论》课程思政教学实践研究作为探讨题目,概述了新时代推进课程思政教学的重要性,分别从课程思政教学的内涵、特征、措施、效果、改进五个方面进行了具体讨论。 关键词:高职 新能源汽车概论 课程思政 教学实践 Ideolo
汽车教育 |
高职《汽车商务礼仪》课程思政教学实践研究
摘 要:在全国高校思想政治工作会议上,习近平总书记强调,要把思想政治理论课与课程教学向“同向同行”方向推进,通过对思想政治工作的有效贯穿,达到“全程育人”、“全方位育人”的目标。本文以此为出发点,选取高职《汽车商务礼仪》课程思政教学实践研究作为题目,紧扣“课程教学这个主渠道”,分别对高职《汽车商务礼仪》课程思政教学现状、教学设计思路、实施措施、实施成效、教学诊改等内容进行了具体讨论。 关键词:汽
汽车教育 |
基于1+X证书制度下机电专业现代学徒制人才培养模式探究
摘 要:教育部于2014年提出现代学徒制试点工作,文章简要总结了现代学徒制的成效,分析了在实施过程中存在种种问题,并通过对1+X证书制度的分析研究,提出1+X证书对现代学徒制人才培养的促进与融通的相关思考,对现代学徒制人才培养的质量提供了参考。 关键词:现代学徒制 1+X证书制度 融合发展 Research on the Training Mode of Modern Apprenticesh
汽车教育 |
任务驱动法在《机械制图》课程教学中的运用及体会
摘 要:任务驱动教学法,是一种以学生主动学习为主、教师加以引导的教学方法,它打破了传统教学方法中注重以教师为主体、以教师教授为主的老套路,以完成一个个任务作为驱动来进行教学,完成教学任务,达到教学目的。它真正体现了职业教育对教学改革的教、学、做一体化的要求,适用于《机械制图》这门课程,有利于学生及时有效地巩固理论知识熟练地掌握实操技能。 关键词:机械制图 任务驱动教学法 组合体三视图 分组教学
汽车教育 |
搭建产教融合育人平台,创新人才培养模式改革
摘 要:在中国制造2025背景下,中国制造业由“中国制造”向“中国创造”、“中国速度”向“中国质量”、“中国产品”向“中国品牌”的转变,社会对应用型人才的需求明显增大。以习近平新时代中国特色社会主义思想为指导,探索打通产教融合在人才培养、技术创新的通道,建立产教融合生态链,积极探索汽车制造与装配技术专业人才培养模式改革,以提升其人才培养体系的内升动力。 关键词:产教融合 育人平台 人才培养模式改
汽车教育 |
浅谈高职汽车运用技术专业教学改革
摘 要:随着我国汽车行业的快速发展,我国汽车制造领域对于专业人才的需求量不断提升,高职院校作为我国专业技术人员的主要培育场地,每年为汽车行业提供了大量人才。但是现阶段我国高职院校汽车运用技术专业热教学体系和人才培养方案与汽车行业人才需求存在不融洽、不和谐的情况。本文基于此,分析了现阶段高职院校汽车运用技术专业教学存在的问题,并深入探究了如何对该专业教学进行改革,以期为相关教育工作者提供指导和思路。
汽车教育 |
工匠精神融入中职汽修专业教学中的实践策略
摘 要:近年来,随着我国产业转型升级加快,对于专业技术人才的需求不断提升,这也就推动了职业教育工作的开展。中职教育作为我国职业教育体系中的重要组成,为社会发展培养了大量的优质人才,推动了各行各业的发展。但是在目前中职院校专业教学中,受到各种教学理念与方法的影响,还存在许多的问题,无法满足当前社会发展对专业人才的需求。在这种情况下,必须要重视对学生工匠精神的培育,提升学生专业技能的掌握水平,实现学生
汽车教育 |
产教融合校企“双元”育人的教学管理的研究
摘 要:在新时代教育背景之下,我国教育事业改革有了进一步新的发展,尤其是教育体制的改革后,“产教融合,校企合作”这种“双元”式人才培养模式的提出为职业教育的发展带来了全新的发展契机。在产教融合校企“双元”育人的教学管理模式指导下,本校积极探索校企合作共同研究人才培养方案的可行性,既可以为本校学生拓宽就业渠道,还能够为企业培养应用型人才。对此,文章中以新能源汽车专业为例对产教融合校企“双元”育人的教
汽车教育 |
《汽车基础电器系统故障诊断与维修》课程思政建设研究与实践
摘 要:《汽车基础电器系统故障诊断与维修》是职业院校汽车及相关行业教学活动开展的基础性课程,在传统教学模式开展中,主要是对学生进行技能方面教育,教学活动开展专业性较为明显,对学生思想政治教育体现不足,无法满足学生综合素养培养的实际要求。本文在明确课程思政导入教学活动必要性基础上,分析《汽车基础电器系统故障诊断与维修》课程思政建设问题基础上,结合实际提出对应的提升路径,以此为相关教学改革提供参考,为
汽车教育 |
中职学校新能源汽车维修专业人才培养模式研究
摘 要:随着全球性污染问题的日益突出,人们逐渐开始注重节能减排并具备环保意识。基于此种背景,新能源汽车应运而生,并受到了社会大众的广泛青睐,但同时也加大了对新能源汽车维修专业人才的需求量。而中职院校是培养新能源汽车维修专业人才的主要阵地,人才培养模式的良好运用以及教学方式的合理采取,都在一定程度上决定着对新能源汽车维修人才的培养水平。但是,就针对当前中职院校的发展现状而言,其还存有一定问题,导致人
汽车教育 |
创客教育背景下第二课堂的改革与创新
摘 要:近几年来,创客教育一直备受关注,较大的推进了各大高校的教学工作。这一背景下,对专业课程进行教学改革与创新有着深远的意义。本文以第二课堂中国大学生方程式汽车大赛、全国大学生机械创新设计大赛等学科竞赛为例,通过以赛促学,以赛促教,企业见习等方式,促进学生的全面发展,提升大学生的创新能力和创业意识。致力于培养符合新时代下的应用型创新创业人才,构建机械工程专业第二课堂培养体系,有效提升学生的实践应
汽车教育 |
虚拟现实技术在动车组检修专业实训教学中的应用
摘 要:虚拟现实技术促进了教育模式的变革,解决了实训教学中面临的“三高三难”问题,是高职教学改革的重要方向。本文在分析动车组检修专业实训教学困境及虚拟现实技术优势的基础上,介绍了动车组虚拟仿真检修实训室建设方案以及采用虚实结合的方式组织实训教学的过程,以期为其他研究者开展实训教学改革提供借鉴。 关键词:虚拟现实 动车组 实训教学 Application of Virtual Reality T
汽车教育 |
“1+X”制度下数据分析建设探索分析
摘 要:为了实现“1+X”制度数据分析技能建设,本文提从学校、教师、学生三个层面来进行探索分析。学校要充分发挥“1+X”证书体系化建设与管理方面的主体作用,与教师、学生共同作用,将“1+X”数据分析证书与教师队伍建设、学生保障制度建设结合,推进“1+X”建设与专业建设、课程建设融合,从而提高教学质量,让学生获得数据分析能力,为就业提供支持。 关键词:“1+X”证书制度 数据分析 学校建设 Th
汽车教育 |
基于数字教学平台的“工程制图与CAD基础”混合式教学建设初探
摘 要:基于“以学生为中心”的价值导向,能力培养和知识传授的培养理念,鉴于以往教学中因为学时少的缘由,老师与学生互动及实际指点很少,以致这门课程成为学生学习艰难的课程,采用线上学习和课堂教学相结合的混合教学方式,可以很好地处理这个问题,扭转学生被动学习的思维模式式,学习成效可以提高,培养适应新型工程技术发展的工科人才。 关键词:工程制图 混合式教学 教学改革 A Preliminary Stu
汽车教育 |
在职业教育中塑造工匠精神
摘 要:三峡电力职业学院紧紧围绕企业办教育,积极践行将工匠精神深入融入职业教育,按照“立德树人,技能为宗,服务发展,促进就业”的思想办好学,育好人,教好学,就好业。 关键词:工匠精神 校企合作 课程体系 Shaping the Craftsman Spirit in Vocational Education ——Take Three Gorges Electric Power Vocatio
汽车教育 |
俄罗斯个性化教育思想的发展脉络与当代意蕴
摘 要:教育是为社会培养人才的重要渠道,教育水平的好坏直接关系着一个国家乃至一个民族的未来。要想充分体现教育的价值,必须做到教育与社会发展相适应。在社会不断发展和演进过程中,俄罗斯教育思想内涵经历着一个又一个的发展过程,从自由教育到传统教育再到共产主义教育,以至于目前倡导的个性化教育。这一系列的发展史足以证明教育与社会发展的关联性,必须结合时代环境、学生个性特点,采用全新的手段和模式实现创新发展,
汽车教育 |
高校服务型学生党支部建设路径初探
摘 要:学生党支部作为高校中最基础的党组织,是联系党与青年的一条重要纽带,具有非常重要的意义。而建设服务型的党支部既符合全心全意为人民服务的党的方针,也体现了党建立服务型政党的需要,符合时代发展的要求。本文阐述了在高校中建设服务型政党的意义及其设立的必要性,并分析了建设服务型政党时存在的问题。 关键词:高校 学生党支部 服务型 A Preliminary Probe into the Cons
汽车教育 |
中职教育现状之我见
摘 要:随着我国近代职业教育的发展,中职教育作为我国教育体系重要的组成部分,在职业教育的发展中起着承上启下的作用。中职教育是以专门培养社会各行业所需要的技能型人才的教育领域,培养出各行各业所需的专业技术人才,肩负着培养各行业高素质人才的重任。然而,今年来总之教育的发展越来越不被人们所重视,产生了许多问题需待解决,如中职院校硬件设施差,生源匮乏、师资力量的不完善、学生整体素质和认知能力不强等问题。这
汽车教育 |
将“工匠精神”融入应用型本科金工实训的实践与研究
摘 要:工匠精神的主要内涵是严谨、专注、坚持、精益求精、一丝不苟。应用型本科高校的实践实训教学中应该植入工匠精神。工匠精神的植入对于高校开展工程素质教育有着助力作用,使得金工实训课程安排更加完善。以培养创新能力为导向的金工实训课程,各个课程环节均需要工匠精神来构建。工匠精神的植入,能够促进我国应用型本科实践教学的长久发展,同时为我国从“制造大国”到“智造强国”的转变,输送更多具有较强综合工程素质的
汽车教育 |
教育信息化2.0背景下职业教育基于SPOC的混合式教学实施研究
摘 要:自我国教育部门提出教育信息化2.0之后,以SPOC为基础的混合式教学模式逐渐被各大职业院校运用。在这种混合式教学模式中,需要运用信息技术的特点将课堂教学与线上教学充分融合。本文简要阐述了基于SPOC的混合式教学模式的优势,分析了该模式实施过程中存在的相关问题,并提出了几点混合式教学模式的实践策略。 关键词:教育信息化2.0 职业教育 SPOC平台 混合式教学 Research on t
汽车教育 |
高职院校学生社会兼职现状及管理工作探究
摘 要:在经济社会快速发展的当下,高职学生就业问题一直备受关注。在“大众创业、万众创新"的战略背景下,大学生社会兼职对于在校学生积累社会经验,开拓就业视野,增长就业、创业技能等方面具有着积极的作用。本文使用问卷调查法,结构性访谈法,文献分析法等方法,从高职在校学生从事社会兼职的兼职经历、兼职初衷、兼职类型、兼职收入、兼职收入支配、兼职来源等方面,对装备制造大类专业部分学生的社会兼职情况进行了随机调
汽车教育 |
新工科背景下流体力学与传热学课程教学改革探讨
摘 要:通过分析流体力学与传热学课程在教学中存在的问题,针对这些问题探讨了该课程在教学过程中的一些具体做法,认为可从制订与专业适宜的教学大纲、梳理教学内容、选择合理教学方式、优化考核机制等方面入手,对该课程的教学实践过程有一定的参考价值。 关键词:新工科 流体力学与传热学 教学改革 Discussion on Teaching Reform of Fluid Mechanics and Hea
汽车教育 |
基于超星学习通的混合学习模式实践创新
摘 要:随着现代社会经济与科技的不断向前发展,人们对生活各个领域的质量要求都有所提高,尤其是高等教育领域。移动互联网技术的快速发展,其在一定程度上为高等教育的质量提升提供了更加多元化的途径,更进一步的推动了高校各专业课程体系的教学模式改革。因此,高校在制定个专业课程的教学规划时,要适当的结合现代社会对人才培养的实际要求,将规模化教育与个性化培养进行更加统一的整合,不仅能够更好的帮助学生们快速的实现
汽车教育 |
基于现代学徒制下的电气自动化技术专业课程体系构建途径
摘 要:现代学徒制育人改革最重要的工作是现代学徒制下课程体系的构建。基于此,本文展开了对现代学徒制下的电气自动化技术专业课程体系构建的研究,指出当前情况下高校电气自动化技术专业课程开发存在的问题,并从多方面来促进现代学徒制下电气自动化技术专业课程体系的构建,以达到教学的最终目的,进而提升学生的职业能力和职业素养。 关键词:现代学徒制 电气自动化技术专业 课程体系 Construction of
汽车教育 |
将雷锋精神融入高校学生党员教育的路径分析
摘 要:高校党建工作始终是新时代党的建设时期伟大工程的重要政治内容和组成部分,事关新时代的中国富有特色的社会主义国家建设的战略大局,同时事关高校各级党组织“两个作用”的有效充分发挥和高校“立德树人”根本任务的顺利实现。本文以加强发展弘扬雷锋精神为主要研究课题背景,剖析了雷锋精神融入高校学生党员教育的重要意义,并以沈阳工学院为例,探析将雷锋精神融入高校学生党员教育的路径,以及对高校党建质量提升具有显
汽车教育 |
教育战略叠加背景下高职学生工匠精神培养策略探索
摘 要:近年,《关于加强和改进新形势下高校思想政治工作的意见》、《国家职业教育改革实施方案》、《关于全面加强新时代大中小学劳动教育的意见》等国家教育战略及政策叠加出台,为工匠精神的传承和发扬提供了政策支持。工匠精神培育是高职院校实现立德树人的重要途径,大思政格局下高职学生工匠精神培育应和思想政治教育充分融合,1+X证书制度下应促进“卓越人才培养”与“工匠精神”有效结合。 关键词:教育战略 高职学
汽车教育 |
基于高职扩招背景下的教学模式探索与实践
摘 要:高职扩招是国家为了缓解就业压力,提升劳动者素质,推动经济高质量发展的一项重要举措。以高职汽车类专业2019年扩招为例,在充分进行学情分析的基础上,广泛开展调研,积极探索适合本专业扩招学生的教学模式:线上教学、送课到企业、双导师教学以及实行灵活、严格的评价方式等。以某一教学点部分课程的学习成绩为例进行了教学效果分析,为下一步的扩招教学工作开展奠定了丰富的理论和实践基础。 关键词:高职扩招
新能源汽车 |
纯电动汽车制动能量回收模糊控制策略及仿真分析
摘 要:为了提升纯电动汽车制动能量回收水平,提高能源利用率,本文提出一种基于模糊控制的再生制动力分配方法。该方法根据汽车制动作业原理,结合能量回收工况,设计相应模糊控制规则,以此有效分配再生制动力。通过仿真测试,对该设计方案进行了验证,可以作为纯电动汽车研发中能量回收控制设计参考依据。 关键词:模糊控制 能量回收 再生制动力 Fuzzy Control Strategy and Simulat
新能源汽车 |
电子诊断技术在新能源汽车故障排除的应用
摘 要:本文首先对传统汽车维修技术存在的弊端进行基本介绍,随后分析了电子诊断技术在新能源汽车故障排除的具体应用,以此来供相关人士交流与参考。 关键词:电子诊断技术 新能源汽车 故障排除 具体应用 Application of Electronic Diagnosis Technology in Troubleshooting of New Energy Vehicles Xiao Zheng
新能源汽车 |
基于某车型的动力电池布置方法
摘 要:本文基于某车型的开发经验,总结出一些针对规则型动力电池与异形动力电池的布置空间挖掘方法,分析动力电池布置需要考虑的细节问题,阐述了布置电池厚的校核及优化方法。 关键词:电动汽车 动力电池 总体架构 布置 Arrangement Method of Power Battery based on a certain Vehicle Type Wang Yanping,An Tairi,M
新能源汽车 |
探析新能源汽车维修中电子诊断技术的应用
摘 要:随着社会经济发展,近些年来对于汽车行业的转型也逐步加深,不少车企为了顺应节能环保整体趋势和号召,逐步开始研发和销售新能源汽车,新能源汽车还能对于国家经济的可持续性发展起到助推作用;新能源汽车与传统燃油汽车相比有着很大的差异,这就使其对于维修方面有着新的要求,需要对电子诊断技术进行全方面应用。本文将从新能源汽车电子维修出发,逐步解析电子诊断技术在汽车维修之中的应用问题。 关键词:新能源 汽
新能源汽车 |
新能源汽车电机驱动控制技术的研究
摘 要:本文由当前新能源状况引入,从问题以及新能源汽车的应用优势进行展望,介绍了新能源汽车的电机驱动控制技术,包括电机驱动控制和电机驱动控制器,希望能给相关人士提供有效参考。 关键词:新能源 汽车 电机驱动 Research on Motor Drive Control Technology of New Energy Vehicles Li Xiaohua Abstract:This a
新能源汽车 |
新能源汽车的常见故障及维修技术
摘 要:现如今国家高度关注节能减排的开展,在各行各业的发展建设当中寻求经济效益以及社会生态效益的同步增长,这为国家的环境保护提供了优良条件,也为现代经济事业的稳定长效运行提供了支持。新能源汽车就是在这样背景之下产生的,是新兴产业发展的产物,消耗的是可再生能源且生成的代谢物,没有传染性,所以有着非常广阔的发展潜能,也成为促进汽车行业创新发展的突破口。在新能源汽车的使用过程当中,很容易出现各种各样的故
新能源汽车 |
新能源汽车维修的关键技术分析
摘 要:检修是新能源汽车运作的关键工作。以目前新能源汽车检修工作情况为基础,融合近些年检修工作中的特性,掌握新能源汽车的界定,确立新能源汽车常见问题种类,剖析新能源汽车检修的核心技术,以此为新能源汽车的运作出具保障。 关键词:新能源汽车 检修 核心技术 Analysis of Key Technologies for Maintenance of New Energy Vehicles Wa
汽车设计 |
浅谈模具偏移设计预留对制造的重要性
摘 要:开篇回顾了典型的由于制造偏移产品的问题,分析和解决的方案。最后总结和建议在设计初期进行制造偏移预防设计。 关键词:模具设计 偏移设计 Discussion about the Importance of Mold Offset Design Reservation to Manufacturing Lei Lulu,Zhang Faxiang,Zeng Wei Abstract:T
汽车设计 |
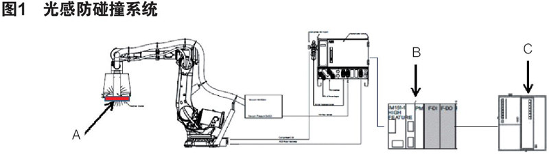
基于汽车涂装的追踪式擦净设备防碰撞系统的 设计和实现
摘 要:追踪式擦净设备具有耦合运动的特点,运动路径复杂,易发生碰撞或干涉,本文基于汽车涂装的追踪式擦净设备,研究其防碰撞系统。利用编码器计算车体理论移动位置,与实际进行比对自动判定其碰撞概率并给出警告。利用光电传感器检测设备与车身之间距离,距离过小时及时停止系统运行,解决汽车涂装的追踪式擦净设备与车体发生碰撞的难题。 关键词:汽车涂装 追踪式 碰撞系统 Design and Implement
汽车设计 |
组合式立体停车装置设计与研究
摘 要:时代在飞速发展,我国国民的汽车保有量是越来越多,停车难的困境就尤其凸显,因此立体停车装置的合理开发,不失为一种解决城市停车难问题的有效途径。车辆无处停放的问题是城市的社会、经济、交通发展到一定程度产生的结果。很多新建小区内住户与车位的配比为1:1。组合式立体停车装置可以高效地利用土地面积;可以提高交通车辆的流通速度。组合式立体停车设备只占一个车位空间,分为上下两层,可以停放两辆汽车,上下两
制造与工艺 |
轻型卡车车身防腐性能提升
摘 要:本文针对某系列轻型卡车侧围、踏步立板等外观件及使用环境相对恶劣的车身底部轮罩处易生锈部位开展提升研究,从增加工艺孔以提高电泳质量、采用特制密封胶进行密封优化、以及调整结构等方面提出优化思路,结合经济分析对比,总结一套有效且较经济的车身防腐性能提升方案,为类似车身防腐工程提供一定的参考。 关键词:轻卡 车身防腐 电泳工艺孔 密封胶 结构优化 Improvement of Anti-cor
制造与工艺 |
浅谈某整车厂车身件供应商焊接能力提升活动
摘 要:焊接质量的优劣直接对汽车的结构强度以及安全具有重要影响,而供应商焊接质量的控制又是整车焊接质量控制的重中之重。本文提供了一个针对供应商焊接质量进行系统提升的范式,指出了其中的关键环节、步骤和方法,并指出了后续继续开展提升活动的方向。 关键词:焊接质量控制分析 焊接工程师培养 培训岛 Discussion about the Welding Ability Improvement Act
制造与工艺 |
侧围外板门洞废料柔性化再利用方案研究
摘 要:以侧围外板门洞废料回收再利用为载体,详细阐述了废料同步设计方案、废料依靠自身重力排出收集、堆垛、低成本柔性化自动剪裁的废料再利用方案。采用该方案不影响受益零件原材料保障,有利于提升利用废料再生产可实施性。同时通过低成本自动化废料剪裁,降低了废料加工成本,提升了废料利用的经济效益。通用化线侧回收及分剪工作站的应用,克服了多品种小批量车型再利用问题,提升了废料再利用的应用车型范围,取得了明显的
制造与工艺 |
钣金焊接成型的常见问题及其焊接质量控制对策
摘 要:随着我国汽车工业的快速发展,汽车主要零部件的焊接技术也得到了迅速提高。焊接技术是汽车制造技术中最具代表性的技术之一,产品质量直接影响整车质量。在目前的焊接过程中,由于多种因素的不利影响,往往会对整个产品的焊接产品质量造成负面影响,汽车的安全性能得不到保证,甚至出现安全事故。在此基础上,对钣金焊接常见问题进行了预测,并强调了焊接产品质量控制的对策。 关键词:钣金焊接成型 常见问题 焊接质量
制造与工艺 |
气门导管结构对气门油封拔脱力影响分析
摘 要:针对发动机试制阶段气门油封脱落引起故障频发的情况,通过对气门油封拔脱力影响因素分析,充分考虑可行性的前提下,提出从改进装配工艺或气门导管结构方面提升拔脱力两种解决思路,根据气门油封拉压力试验结果比对,得到改进气门导管结构对提升拔脱力效果最好,且不影响装配力,为解决故障提供了最优方案。 关键词:气门导管 气门油封 拔脱力 Analysis of the Influence of Valv
制造与工艺 |
关于优化汽车侧围外板冲压工艺的几点思考
摘 要:在汽车制造过程中,一辆汽车的外观质量在很大程度上取决于车身覆盖件的质量,因此在设计与生产过程中必须注重车身外覆盖件的工艺,汽车侧围作为覆盖件中的一部分,在切成品质控制中发挥着至关重要的作用。冲压作为一类先进的加工方式,其适用于加工各种复杂的形状,具有自动化高和成本低等特征。但是就当前汽车侧围外板冲压工艺现状分析,还存在不同形式的失效行为,因此采取有效的措施对汽车侧围外板冲压工艺进行优化具有
制造与工艺 |
应用热成型技术实现白车身轻量化实践案例
摘 要:随着现代汽车工业节能环保思想与汽车新四化方针的推进,轻量化技术越来越广泛应用于乘用车领域。汽车工程师在不牺牲汽车整体性能、整车操纵性的前提下,通过轻量化手段降低车身重量,不仅仅是给汽车生产商带来成本上的收益,对于整车性能、安全、动力的优化与操纵性的提升,同样可以带来十分明显的提升。据统计白车声的重量占整车质量的三分之一,在驾驶者使用过程中,将近一半以上的油耗用到了车身质量上。本文将重点阐述
制造与工艺 |
纤维增强复合材料在汽车覆盖件中的应用
摘 要:本文采用纤维增强复合材料和环氧树脂基材料对汽车引擎盖进行拓扑优化,样品制作和性能分析。根据实际工况的发动机罩,最小化目标函数与质量、测试性能指数的钢罩前为约束函数,发动机罩的纤维增强复合材料等效替代拓扑优化。各种工况下的试验结果表明,与钢罩相比,纤维增强复合材料罩的性能提高,复合材料罩的重量变轻。 关键词:纤维增强复合材料 汽车覆盖件 材料优化 Application of Fiber
制造与工艺 |
封闭腔薄壁曲面件数控加工技术初探
摘 要:数控加工作为机械加工中精加工的一种,且具有加工范围广,加工精度高等优点,是机械加工的未来发展方向。不可否认的是,未来的机械加工将会普遍采用数控加工。而封闭腔薄壁曲面件的加工是也是属于精加工的,不管从那个方面来看都应采用数控加工的方式进行。在加工的过程中,合理的改进加工工艺能够降低对于机床本身的要求,也可以对机床的加工范围进行拓展。本文将研究分析封闭腔薄壁曲面件数控加工的工艺流程,并探讨如何
制造与工艺 |
智能制造与机器人焊接技术的集成与应用
摘 要:焊接机器人技术缺乏“弹性”,所以要预设焊接路径和重要参数根据实际数据和实际工作的需要,这常常会带来明显的缺陷焊接操作。点焊、弧焊和其他通用机械培训课程,主要借助稳定的编程过程稳定电力供应所需的焊接参数和焊接机器人焊枪中心位置和跟踪。基于人工智能技术,最新的工业控制技术和网络通信技术的发展,单一的功能训练和再生是聪明和多传感器智能焊接机器人柔性加工单元系统开发。现今,我们主要是借助智能焊接平
制造与工艺 |
浅析白车身点焊工艺及质量控制方法
摘 要:当前汽车工业及其制造技术已随全球科技进步率先进入工业4.0时代,全球汽车制造水平高速发展,汽车生产效率大幅提升,据统计主流的汽车厂商其生产节拍已经达到每隔两分钟左右即可完成一台整车下线,生产节拍之快令人叹服,当然归根到底这一切都离不开汽车制造中最基础的冲压、焊接、涂装、装配四大生产工艺。本文着重从汽车制造四大生产工艺之一的焊接方面,来探讨汽车白车身相关的点焊工艺及其质量控制方法。 关键词
制造与工艺 |
纸盒式干式喷房纸盒容漆率提升的探索与实践
摘 要:为了最大幅度提升纸盒容漆率,进一步削减固废、减少环境影响及降低生产成本,广汽本田第三工厂涂装车间对新导入的纸盒式干式喷房容漆能力进行探索分析,从设计硬件、管理基准上、保证生产品质的前提下,提升纸盒容漆率。为行业提供了可参考借鉴的成功经验。 关键词:纸盒 干式喷房 容漆率 分区独立送排风 自动风平衡调节 Exploration and Practice on the Improvemen
汽车零部件 |
无级变速器移除从动补偿缸的可行性分析
摘 要:通过对金属带式无级变速器(CVT)中从动带轮动压补偿油缸(补偿缸)的结构、功能和原理进行分析,制定移除补偿缸的评估指标,并通过计算和实际测试等方法,对比补偿缸有与无的区别,为无级变速器设计开发时取舍补偿缸提供一种参考方法。 关键词:无级变速器 补偿油缸 补偿缸 平衡缸 动压平衡 从动 Feasibility Analysis of Removing the secondary comp
汽车零部件 |
汽车发动机启动电压激励源模型研究
摘 要:汽车启动瞬间,整车电源电压波动剧烈。整车厂要求在这种电源波动情况下,整车电子产品需要有相应的保护措施,确保低压及电源振荡时工作性能仍然符合预期。传统的验证电子产品耐受电源电压干扰的性能需要实验资源支持,这给项目开发成本和时间带来负担。仿真验证产品电性能是传统设计验证方法的一个有力的补充。仿真验证的关键是要建立合乎规范和标准的启动电压激励模型。本文结合福特定义的汽车发动机冷、热启动时的电压波
汽车零部件 |
一种汽车零部件测试用ABB机器人改造方法的研究
摘 要:本文研究的机器人改造方法是基于ABB的IRB机器人,在不需要上位机控制系统参与的情况下,通过机械式的逻辑控制和增加辅助执行机构的方式,来解决单台ABB机器人无法满足汽车零部件可靠性测试中对多动作的需求。此种方法无需开发软件系统,结构简单、运行高效、成本低廉。 关键词:机器人 逻辑控制 测试 Research on the Transformation Method of ABB Rob
汽车零部件 |
某车型车载充电机自动中断充电问题分析及优化
摘 要:某电动汽车车载充电机在充电过程中出现自动中断充电故障,反复验证3次均复现故障,每次充电时间10-30min不等。通过调查,发现充电机内部导热胶在温度上升后对滤波薄膜电容引脚产生应力,拉脱其引脚,使滤波电路失效产生EMI干扰,导致BMS采样精度紊乱(采集到充电电流超过阈值)发出停止充电指令。随后,通过增加引脚塑封、增大散热量的措施,可以有效解决该问题。 关键词:充电中断 热胀冷缩 EMI
汽车零部件 |
一种基于无线供电技术的的汽车雨刮器软化亮窗装置
摘 要:冬季,北方下雪天停在室外的汽车前挡风玻璃常会被积雪完全覆盖,雨刮器被牢牢地冻在车窗上,无法实现车窗除冰的任务。作品是一种采用电磁感应无线供电方式,对汽车雨刮器的橡胶条驻留位置进行加热,软化雨刮器上的橡胶条,并使其带有一定温度,进而方便为汽车前挡风玻璃除去积雪和冰霜的装置,可有效解决冬季汽车雨刮器结冰后无法正常使用的问题,起到亮窗的作用,使驾驶人获得清晰的视野。该作品无需铺设复杂的电路 可适
汽车零部件 |
浅析汽车空调技术及发展趋势
摘 要:汽车空调作为现代汽车上不可或缺的重要组成部分,其技术对汽车的高效节能性、舒适性和环保等方面都有着重要的影响。本文对汽车空调的作用特点、组成原理、发展趋势等方面进行了分析。 关键词:汽车空调 发展趋势 新能源汽车 Analysis on the Technology and Development Trend of Automobile Air-conditioning Liu Suf
汽车后市场 |
车辆故障诊断应用研究
摘 要:如何快速准确的对故障车辆作出明确诊断,进而提高故障车辆维修效率,是用户和维修人员十分重视的一个问题。本文主要分析了车辆故障诊断的必要性,并对故障诊断的方法和流程进行了分析概括。 关键词:车辆故障 诊断 应用 Research on Application of Vehicle Fault Diagnosis Liu Jianhua Abstract:How to make a cl
汽车后市场 |
汽车发动机故障维修技术应用分析
摘 要:汽车发动机是保证汽车能够稳定且安全运行的关键要素,需要就其运行中的问题加以分析,本文将基于以上背景,浅谈在汽车发动机故障检修中可能存在的问题,并结合当前技术发展给出维修技术分析,以此推进此技术领域的发展。 关键词:汽车发动机 故障 维修技术 应用 Analysis of Application of Automobile Engine Failure Maintenance Techn
汽车后市场 |
浅谈“后疫情”时期汽车直播营销
摘 要:近几年,中国乘用车市场的新车销量降低明显,且库存压力较大,其主要原因是传统营销渠道遇到瓶颈,难以有新的增长点。互联网带来的新消费方式使直播经济成为新常态下中国经济的一抹亮色,尤其是受到2020年新冠肺炎的影响,汽车直播营销成为一种新销售模式,为"后疫情"时期的汽车营销行业带来了新的发展机遇和挑战。 关键词:“后疫情” 汽车 直播营销 Talking about Car Live Mar
汽车后市场 |
一种基于网联式的报废车辆回收方案
摘 要:报废汽车具有资源性和污染性的双重特性,且随着汽车行业的发展数量日渐增加[1]。当前市场上只有小部分的报废汽车经过正规渠道处理,而大部分的汽车流向不明。本文介绍了一种基于网联式的资源集约化的报废车辆回收方案,旨在将传统的报废车辆回收行业与“互联网+”相结合,通过精准化的资源导流实现报废车辆与拆解企业的匹配,为车辆报废提供更加便捷的途径。 关键词:报废车辆回收 互联网+ 资源导流 A Re
汽车后市场 |
汽车离合器的常见故障与解决方法
摘 要:在汽车的行驶过程中,离合器是一个常见故障,汽车离合器故障的诱因非常多,包括装配质量、离合器零件质量、用户操作不规范、离合系统或者整车匹配等。文章分析了汽车离合器的结构与原理,从汽车起步抖动、离合器分离不清、离合器的打滑与烧蚀、离合器异响几个方面探讨汽车离合器的常见故障与解决方法。 关键词:汽车离合器 常见故障 解决方法 Common Faults and Solutions of Au
汽车后市场 |
“互联网+”背景下互动式汽车营销模式的优势分析
摘 要:在互联网技术持续发展的今天,“互联网+”逐渐渗透在各行各业中。近些年来,对于我国汽车销售企业来说,随着汽车消费实际需求的日益攀升,传统汽车营销模式具有一定的滞后性,与消费者的需求不相符合。基于此,调整汽车营销模式急不可待,汽车销售企业应该借助“互联网+”的优势,在不断开拓汽车销售渠道的同时,促进客户满意度的提高,为企业经济效益的增长奠定良好基础。本文首先对传统汽车营销模式的不足之处进行了阐
汽车后市场 |
浅谈当前形势下的汽车行业采购成本控制
摘 要:我国的汽车市场已告别高速增长期,形成了汽车行业新的竞争格局,正在快速步入智能电动汽车的时代。伴随着传统汽车行业存在的产能过剩以及汽车行业市场激烈的竞争,汽车制造行业面临着巨大的压力,降本增效成为了企业面对当前困局的有效策略。本文就我国汽车制造企业在发展中采购成本控制环节的现状以及存在的问题进行分析,并探讨如何在采购环节执行降本增效,提高企业的竞争力。 关键词:当前形势 行业采购 成本控制
汽车后市场 |
基于故障树的某车型尾灯周围漏水故障分析
摘 要:在整车水管理试验体系中,大灯系统的水管理表现是最直观影响客户满意度的重要因素之一。本文针对某新车型在水管理试验过程中出现的贯穿式尾灯积水从两侧饰板滴入行李箱内主要因素做分析,并对贯穿式尾灯的设计缺陷提出了改进意见。 关键词:水管理 贯穿式尾灯 积水 Analysis of Leakage Problem of Tail Lamp based on Fault Tree Analysis
汽车后市场 |
帕萨特轿车空调暖风系统故障分析与排除
摘 要:轿车空调系统有暖风和冷风,冷风系统结构复杂,故障率较多,涉及到的零部件较多,但是检修起来相对容易,维修成本也不是很高。暖风系统相对来说结构简单,但是检修起来相对要复杂一些,一旦涉及到暖风水箱的问题,其维修难度和成本相对较大,本文以一则帕萨特轿车暖风系统故障为例,分析其故障现象及排除过程。 关键词:帕萨特 空调 暖风系统 故障排除 Trouble Analysis and Elimina
汽车后市场 |
汽车性能检测与鉴定的措施探究
摘 要:伴随着我国社会的现代化发展,汽车检测技术也在持续进步,传统的检查技术已无法满足当今汽车行业的发展需求,各个行业领域在新技术研究的过程中也促进了汽车检测技术的更新,目前很多汽车企业都已经掌握了新型技术以及设备的使用方法,对汽车性能的各个检测环节都能够进行调控,并记录相关数据。汽车性能方面的检测和鉴定,不仅是消费者在购买汽车时的重要参考,同时也能在一定程度上促使生产厂家能够对自己的产品进行改进
汽车后市场 |
简析乘用车行李舱漏水原因与措施
摘 要:行李舱淋雨密封性是乘用车整体密封性要求的重要部分,直接影响着用户的驾乘体验。本文结合乘用车行李舱漏水问题实例,探讨胶条、钣金、卡扣、涂胶及线束等影响因素,简析乘用车淋雨过程行李舱漏水原因及解决措施,促进问题解决。 关键词:行李舱漏水 原因 措施 A Brief Analysis of the Causes and Measures of Water Leakage in the Lug
交通与安全 |
“共享汽车+轨道交通”调度策略的提出与优化
摘 要:“共享汽车+轨道交通”可有效改善其他公共交通换乘轨道交通的不足,大大减少私家车数量,缓解城市道路交通堵塞。本文致力于解决“共享汽车+轨道交通”中用户可能面临的在轨道交通站点“无车可用”或“无位可停”的问题,提出自适应自主迁移调度策略,包含共享汽车自主迁移与用户自主迁移两种情况,进行用户预约时间窗设计,进一步优化共享汽车停放位置。构建带时间窗的“共享汽车+轨道交通”调度模型,采用遗传算法提高
交通与安全 |
基于车路协同的货车右转弯盲区预警系统
摘 要:随着社会的发展,道路交通安全的重要性日益提高,但目前由货车右转弯盲区造成的交通事故仍然让人触目惊心,为减少这一交通事故,国内外均采取了许多解决方法,但这些方法都过于固定和单一,并不能及时有效地实现货车右转盲区的预警。根据此情况,我们提出了一种基于车路协同的货车右转弯盲区预警系统,此系统从人、车、路三位一体的角度出发,通过安装雷达和检测器等设备采集信息,利用路侧单片机进行数据处理和计算,应用
交通与安全 |
提高市政道路施工沥青路面平整度的方法和措施
摘 要:中国城市化进程的持续推进使得城市基础设施建设发生了根本性改变,市政道路是城市建设的基础构成,市政道路的质量直接关系到城市的发展,满足了城市建设、社会生产和居民等多种需求,因此市政道路不仅仅是建设工程,更是民生工程,全面提升市政道路施工质量才能够实现城市建设水平的进一步提升,有效满足国家发展和社会建设的需求。沥青路面是市政道路施工的重要构成部分,其平整度直接关系到工程质量和道路安全,随着城市
交通与安全 |
公路工程质检工作问题探讨
摘 要:我国公路工程项目的数量和规模都在日益扩大,做好公路工程的质检工作以确保公路的质量非常重要。想要确保公路工程项目的完成质量,就必须对公路工程现场施工情况进行严格管理和监督。然而现实是,我国目前仍然有不少的公路工程存在一些影响公路质量的问题。对此,本文进行了相关的研究探讨,希望有助于促进公路工程质检工作的推进和完善。 关键词:公路工程 质检工作 问题探讨 Discussion on the
交通与安全 |
公路工程建设中路基路面施工的技术要点分析
摘 要:公路是经济发展的血脉,负责不同地区间资源的流动,实现区域间协调发展。而公路建设质量直接影响了公路功能的发挥。其中路基路面施工技术十分关键,对其技术要点进行分析,不仅利于有关学术的丰富和发展,对有关技术的完善也有积极意义。本文对路基路面施工中的路基的填筑、压实,路面施工中路基检测、路面沥青混凝土摊铺、碾压等展开分析,希望可以对路基路面施工有所借鉴。 关键词:公路工程 路基工程 路面施工 技
交通与安全 |
检测工作在公路水运工程建设中的重要性
摘 要:在公路水运工程检测工作开展时,应当做好公路水运工程施工、监理、检测、勘察设计试验检测机构等级评定和换证复核,以及工地试验室登记备案等工作,并严格按照住建部标准和省厅规定,对全市交通行业建筑业企业资质申请、升级等申报材料中涉及的人员、设备、场所、业绩等进行严格初审,以保证公路水运工程建设的可靠性。为提升检测工作水平,应当在现代科学技术的支持下,建构省厅信用信息管理平台,对全市公路水运工程从业
交通与安全 |
试析交通建筑设计创新与BIM技术应用
摘 要:新时期,交通建筑逐渐实现绿色化、多功能的方向发展,增加了设计工作的难度。交通建筑建设发展过程中对设计提出更加严格的要求。设计人员需要积极转变设计思想,创新设计方法和实践操作,充分发挥BIM技术的重要优势和作用,提升设计整体水平。 关键词:交通建筑 设计创新 BIM技术 应用 Analysis on the Innovation of Traffic Building Design an
交通与安全 |
基于可持续发展的公路经济管理研究
摘 要:随着现代社会的不断发展,经济在快速发展的同时,对于社会可持续发展的要求也有了不一样的定义,同时我国各地区也同样面对很多的挑战,公路经济的可持续发展也有了新的要求。如何更好地遵循可持续发展的道路来完成公路经济的发展是最需要解决的问题。 关键词:可持续发展 公路经济 管理研究 Research on Highway Economic Management Based on Sustaina
交通与安全 |
探索以品牌打造为体系的轨道交通服务管理研究
摘 要:随着城市轨道交通线网规模不断扩大,运营技术与运营保障达到稳定状态。与网络化运营相呼应的,是日益增长的客流与逐渐提高的服务需求。郑州地铁通过晶晶服务品牌的打造将轨道交通服务提升上升到服务品牌塑造的高度。在一系列的提升行动中,郑州地铁逐渐探索出一条清晰的轨道交通服务品牌提升之路,经过归纳总结,形成了品牌打造的“六大体系”,通过理念体系、管理体系、视觉体系、行为体系、宣传体系及社会责任体系“六大
交通与安全 |
基于行人过街速度的临界间隙特性
摘 要:为了更全面的分析行人过街特性,为行人交通流的管理与控制提供理论依据,论文利用SPSS分析了不同性别行人过街速度特性,并采用Raff法计算不同速度的行人过街临界间隙。以长春市实际交叉口为例,对比分析了男性与女性过街的临界间隙值,结论表明,行人过街速度越大,能够接受的临界间隙越小。 关键词:信号交叉口 过街速度 Raff法 临界间隙 The Critical Gap Characteris